首页
产品中心
机房工程
数据中心
云计算
运维服务
网络改造
智慧工地
网站建设
软件开发
解决方案
云及数字化转型
工程项目管理
安防行业方案
智慧工地解决方案
工业互联网解决方案
服务与支持
服务概述
售后地址
下载中心
帮助中心
服务器相关
交换机相关
安防监控
知识分享
数据库相关
安全公告
关于我们
新闻中心
公司介绍
企业文化
发展历程
荣誉资质
人才招聘
联系我们
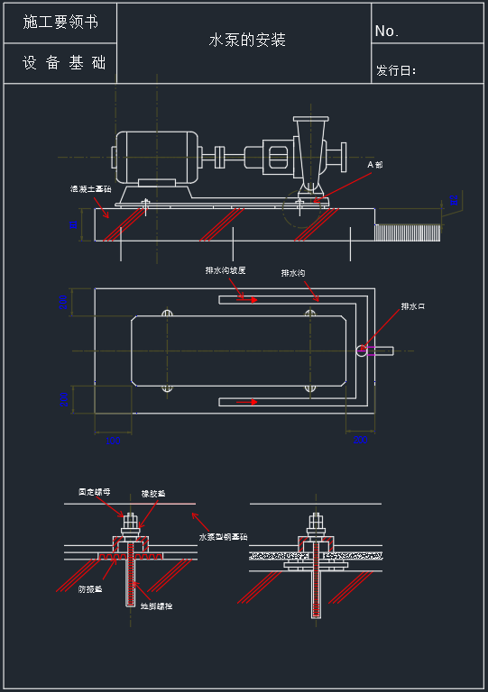
数据中心--施工安装要领书
2025-09-16 by 昊之云
‹
›
上一篇
下一篇
产品中心
数据中心
云计算
网络改造
网站建设
软件开发
运维服务
智慧工地
机房工程
解决方案
安防行业方案
智慧工地解决方案
工业互联网解决方案
云及数字化转型
工程项目管理
服务与支持
服务概述
售后地址
下载中心
关于我们
企业文化
发展历程
公司介绍
荣誉资质
人才招聘
联系我们
新闻中心
@河南昊之云信息科技有限公司 2011~2025
豫ICP备11031407号